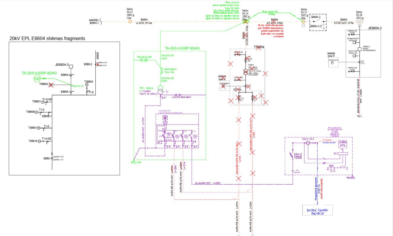
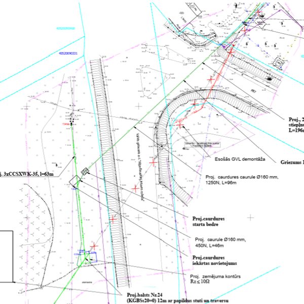
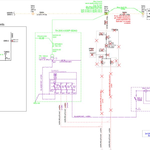
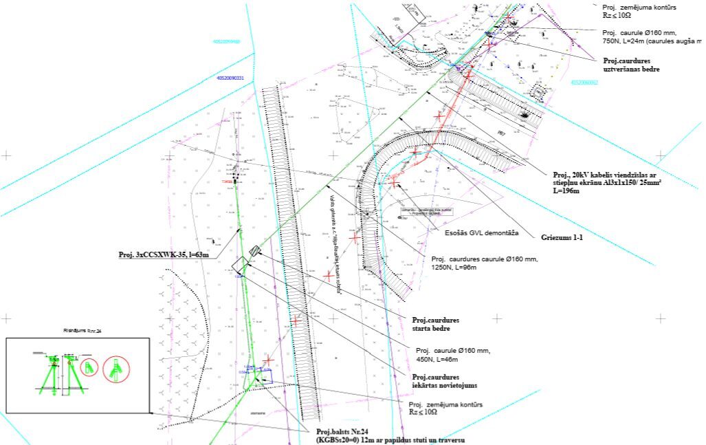
Elektrotīklu projektēšana

Mūsu uzņēmums, SIA JustPro, piedāvā pilna cikla elektrotīklu projektēšanas pakalpojumus. Izstrādājam un saskaņojam visa veida elektropieslēgumu, elektrotīklu pārbūves, elektroapgādes rekonstrukcijas un modernizācijas būvprojektus (tehniskās shēmas, skiču projektus un tehniskos projektus) ar spriegumu līdz 35kV. Sākot ar nelieliem privātmāju pieslēgumiem līdz ražotņu ārējai elektroapgādei, no nelielām līniju pārbūvēm līdz apjomīgām vidējā sprieguma līniju un apakšstaciju rekonstrukcijām. Mūsu komanda īpaši specializējas AS “Sadales tīkls” pieslēgumu projektu izstrādē.

Mēs uzskatām, ka precīza elektrotīklu projektēšana ir jebkura inženiertehniska objekta pamats. Mūsu uzņēmuma inženieriem ir darba pieredze ne vien tikai elektrotīklu projektēšanā, bet arī būvprojekta izbūvē. Līdz ar to mūsu inženieri piedāvās konkrētai situācijai visatbilstošāko un finansiāli izdevīgāko risinājumu.

Ja nepieciešama projekta izstrāde vai konsultācija, rakstiet vai zvaniet mūsu speciālistiem: +371 29495279,  [email protected]

 AS "Sadales tīkls" pieslēguma procesa apraksts: 

 Secību, kā iegūt elektrības pieslēgumu no ieceres līdz realizācijai, skatīt: šeit